SPBW06G-15 6W 18~75V 转 15V 0.4A 稳压单路输出DC-DC模块电源_明纬
返回
商品详情
  • SPBW06G-15 6W 18~75V 转 15V 0.4A 稳压单路输出DC-DC模块电源
  • SPBW06G-15 6W 18~75V 转 15V 0.4A 稳压单路输出DC-DC模块电源
  • SPBW06G-15 6W 18~75V 转 15V 0.4A 稳压单路输出DC-DC模块电源
  • SPBW06G-15 6W 18~75V 转 15V 0.4A 稳压单路输出DC-DC模块电源
  • SPBW06G-15 6W 18~75V 转 15V 0.4A 稳压单路输出DC-DC模块电源

SPBW06G-15 6W 18~75V 转 15V 0.4A 稳压单路输出DC-DC模块电源

¥50 ¥53 +显示数量价格
型号:SPBW06G-15|品牌:
  • 参数
  • 详情
  • 文件
  • 评论
  • 咨询
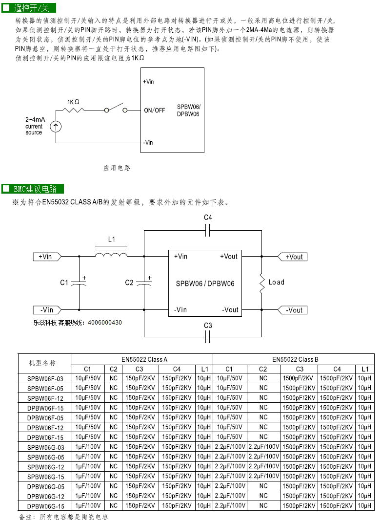
  •   ■ 产品简介

    单列插脚型非稳压3瓦单路输出模块,需安装于PCB板上。

      ■ 主要特点
    4:1宽输入电压范围
    输入/输出隔离电压1500Vdc
    内置远端开关机功能
    内建EMI滤波电路
    网页制作:上海乐兹科技发展有限公司
    自然通风冷却
    绝缘塑料外壳
    单列直插式封装
    100%满载老化测试
    低价格高可靠
    采用无铅制程,符合环保RoHS要求
    台湾生产
    3年质保