| ■ 产品说明 |
绿色环保的最新一代的电源产品,高效率,高功率因素,低空载损耗,高可靠长寿命,具有远端检测远端控制及恒流限流功能,适用于包含LED照明等广泛的应用领域。
| ■ 主要特点 |
| 全球通用全范围交流输入电压 |
| 内置主动式PFC功能,PF>0.95,效率高达89% |
| 有短路保护/过载保护/过电压保护/过热保护 |
| 国际安规认证:UL/TUV/CB/CE |
| 上海乐兹科技,客服热线400 600 0430 |
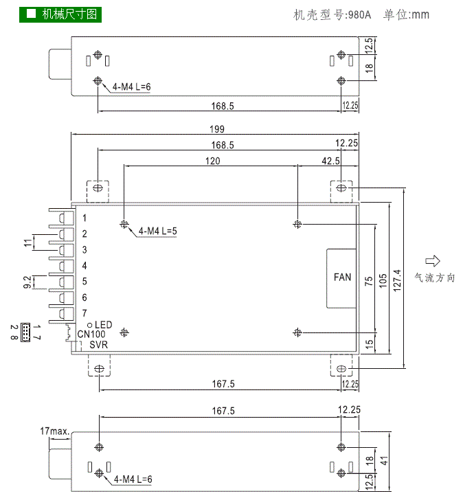
| 符合1U机柜安装厚度,高度仅41mm |
| 内置恒流限流电路 |
| 能承受300VAC浪涌输入5秒 |
| 内置远端检测功能,具有线损补偿功能 |
| 内置DC OK信号 |
| 内置直流风扇强制风冷 |
| 全部使用105℃长寿命电容 |
| 100%满载老化测试 |
| 采用无铅制程,符合环保RoHS要求 |
| 台湾明纬品牌,台湾工厂生产 |
| 5年质保 |
| ■ 可选平装方式 |
![]() |
|
查看及选购该选件请点击左图 |
| ■ 可选导轨安装方式 |
|
DRL-03A 查看及选购请点击上图 DRP-03 查看及选购请点击上图 |
|
© 2016 买电源网-上海乐兹科技发展有限公司 All rights reserved.
本商店顾客个人信息将不会被泄漏给其他任何机构和个人
本商店logo和图片都已经申请保护,未经授权不得使用
有任何购物问题请联系我们在线客服 | 电话:400-600-0430 | 工作时间:周一至周五 8:30-18:00









