| ■ 产品说明 |
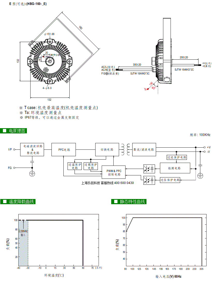
HBG系列是圆形金属外壳, 其散热结构可以与LED灯具的散热结构完美结合.,有双级功率因素校正功能的LED照明防水电源, 恒压+恒流工作方式,铝壳灌胶封装IP65/IP67防护等级,,具有包括过热保护等完善的保护措施。耐5G震动,-40℃启动,.因此可以将灯具顶端的温度控制在70℃以内,使得灯具的整体寿命可达4万小时.全球范围输入电压,最高可达305Vac, 目前有100W, 160W, 240W瓦功率等级,输出电压分24V, 36V, 48V, 60V。A型输出电流可设置, B型机种内建三合一调光功能(1~10VDC,PWM信号或电阻),E型v,5年质保, 适用于LED工矿灯、天井灯、舞台灯、投光灯等照明应用。该机型是明纬电源目前为止唯一有60Vdc输出的系列。
| ■ 主要特点 |
| 全球通用全范围交流输入电压(最高305VAC) |
| 内置主动型PFC(功率因素校正)功能,在负载大于等于60%时,功率因素>0.9 |
| 效率高达93.5% |
| 全封闭铝合金外壳灌胶封装 |
| 有短路保护/过电流保护/过电压保护/过热保护 |
| 国际安规认证:申请中 |
| 上海乐兹科技,客服热线400 600 0430 |
| 恒压+恒流工作方式 |
| A型:IP65防护,输出电流可用内置电位器调节(预先设定) |
| B型:IP67防护,输出电流可通过外接线缆调节(在线电压调光、电阻调光或PWM调光(三合一调光)) |
| E型:IP67防护,可通过金属支架固定,(详细信息请与我们联系) |
| 原型:IP67防护,输入和输出均为线缆接线 |
| 100%满载老化测试 |
| 采用无铅制程,符合环保RoHS要求 |
| 台湾明纬品牌,广州工厂生产 |
| 5年质保,外壳温度70℃时,电源寿命4万小时 |
© 2016 买电源网-上海乐兹科技发展有限公司 All rights reserved.
本商店顾客个人信息将不会被泄漏给其他任何机构和个人
本商店logo和图片都已经申请保护,未经授权不得使用
有任何购物问题请联系我们在线客服 | 电话:400-600-0430 | 工作时间:周一至周五 8:30-18:00






